安全·节能防爆betway广告江苏省「专精特新 」「瞪羚企业 」 国家高新技术企业

服务热线:400-000-9261 咨询电话:151 9595 6304

必威app精装版苹果版下载安装教程防爆模温机

搜索结果

冷热一体机使用需要注意哪些?「必威app精装版苹果版下载安装教程机械」图文详解

冷热一体机使用需要注意哪些?「必威app精装版苹果版下载安装教程机械」图文详解

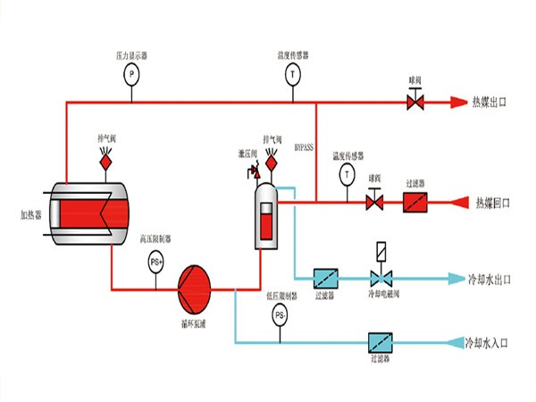
冷热一体机使用来看看必威app精装版苹果版下载安装教程机械图文详解!冷热一体机通过电加热管/压缩机,可实现对被控温物件进行升温/降温的自动控制。整套设备以电为热源、压缩机来制冷,导热油为载体,利用循环泵强制循环,将能量输送到控温物体进行换热,继而返回重新继续加热/冷却的直流式控温设备。如此周而复始,实现热量的连续传递,使被控温物体温度升高/降低,达到加热/冷却等恒温的工艺要求。
Baidu
BATWAY官方网站首页