11年专注防爆betway广告江苏省「专精特新 」「瞪羚企业 」 国家高新技术企业

服务热线:400-000-9261 咨询电话:151 9595 6304

高新技术企业认定,锅炉与锅炉水处理协会会员单位

热门关键词:

冷热一体机工作原理图及种类,「必威app精装版苹果版下载安装教程机械」分析

365必威 来源: 必威app精装版苹果版下载安装教程机械 发布日期: 2020.02.05/17:56

冷热一体机是一种加热冷却为一体的温度控制设备,很多产品在生产成型的过程中需要不同的温度点以及根据要求实现加热、冷却不同的温控要求。必威app精装版苹果版下载安装教程机械分析冷热一体模温机的应用原理以及选择种类!

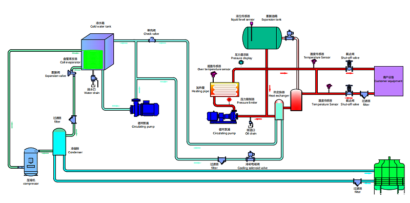
冷热一体机就是为了实现这种要求的加热(电加热管为热源)、冷却(压缩机制冷)为一体的设备。主要应用在注塑、压铸、化工制药、新能源锂电(新能源汽车电驱动、电机测试、电池包测试)、复合材料成型等方面。 那么,冷热一体机的工作原理图是怎么样的呢? 

冷热一体机原理图

从上面的图中可以看出,红颜色的部分是加热循环的管路,蓝色的部分是制冷循环的管路。冷热一体机的种类有哪些呢?主要是三个种类 

一、以加热为主的冷热一体机,用户在正常使用的时候,是需要加热并且恒温的。可以在产品成型之后需要把温度降低到一定的温度点,这种情况称之为加热为主的冷热一体机,其冷却主要是依靠外部的循环水冷却,要去在使用现场必须链接循环水塔或者冷冻机组的。型号主要是“EUOT-75CF”“EWM-50CF”等。 

 二、以冷却为主的冷热一体机,用户在正常使用的时候的,只需要前面稍微加热恒温,等开始做产品的时候,本身产生热量需要连续不断的冷却。这种情况的冷热一体机是在冷冻机组的内部系统里面加上加热管加热,其型号主要是“EU-10AD””EU-20AD”等。 

三、加热、冷却同样重要的冷热一体机,这种情况的冷热一体机是通过电加热管提供热源,压缩机提供制冷量。其型号是“EUOT-10AD-36O”等。 

需要特别主要的是,客户在咨询或者选择冷热一体机的时候,请详细把产品的控温要求工艺情况告诉厂家,如:一个成型周期内的加热、冷却要求,产品是否是一支吸热,还是说有放热的过程,链接口径的大小等等。

【相关推荐】

咨询热线

400-000-9261
热品推荐
导热油TCU温控系统

导热油TCU温控系统

产品型号:TCUC温度范围:35~350°C控温精度:PID±0.5℃
Baidu
BATWAY官方网站首页